Přihlášení
Přihlášení
Proč se registrovat
- Přehled o své objednávce
- Ověření záruky podle SN
- Možnost získání kreditu
- Přehledná historie objednávek
- Pohodlná správa veškerých údajů
Triton lišta vertikální RAX-VL-X09-X1, 9U
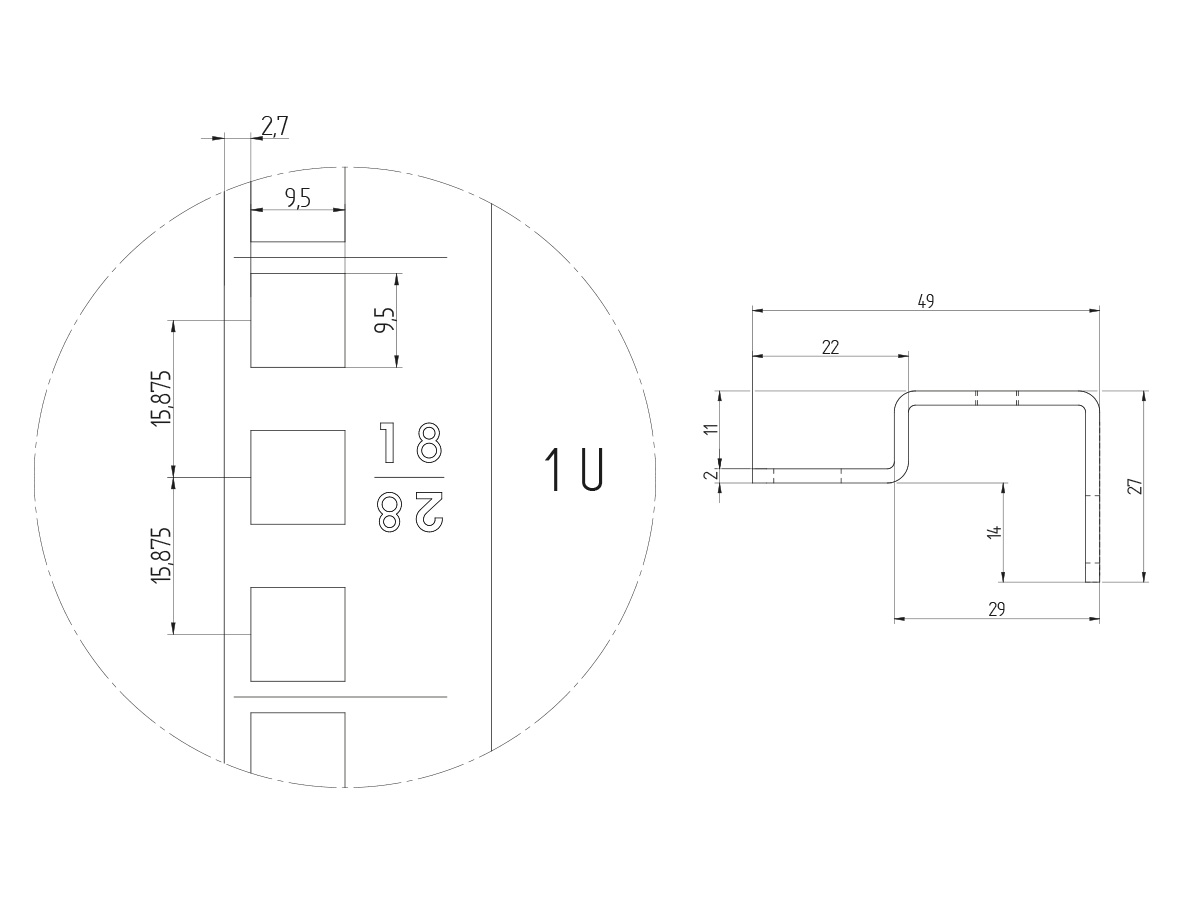
Vertikální lišta TRITON je vyrobena z 2mm galvanizované oceli a slouží jako vertikální lišta pro rozvaděče. Značení unitů na liště TRITON je provedeno laserovým popisovačem. Čtvercový otvor měří 9,5 x 9,5 mm Technické parametry: Výška: 9 U ObsaVíce
Objednat
Výrobce:Triton
DPH
21%
Dotaz k produktu



Popis a parametry
Značení unitů na liště TRITON je provedeno laserovým popisovačem. Čtvercový otvor měří 9,5 x 9,5 mm
Technické parametry:
Výška: 9 U
Obsah balení:
1x Vertikální lišta TRITON
2x Podložka velkoplošná
2x Šroub
Stránky výrobce:
https://www.triton.cz/